Typ s380
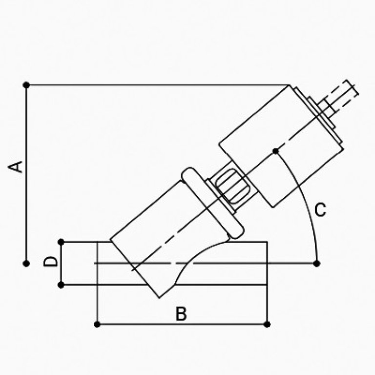
| DN | A | B | C | D | E | Article | 
| 1" | 206 | 160 | 40deg |  | 25,40x1,65 | 12S38011003320 | 
| 1½" | 214 | 185 | 40deg |  | 38,10x1,65 | 12S38011123320 | 
| 2 | 200 | 210 | 40deg |  | 50,80x1,65 | 12S38012003320 | 
| 2½" | 271 | 250 | 40deg |  | 63,50x1,65 | 12S38012123320 | 
| 3" | 333 | 300 | 40deg |  | 76,20x1,65 | 12S38013003320 | 
| 4" | 393 | 330 | 40deg |  | 101,60x2,11 | 12S38014003320 | 
| 6" | 475 | 525 | 40deg |  | 152,40x2,77 | 12S38016003320 | 
Article properties
| Artikel | Change over valve | 
| Uitvoering | Hygienic | 
| Type huis | Angular Seat | 
| Aansluiting | Weld/Weld | 
| Materiaal | 1.4404 (316) | 
| Afdichting | EPDM o-ring | 
Pobierz specyfikację
Wyślij zapytanie